Menu

搜索更多信息

ZWU-AM

应用场景

应用:晶圆检测系统、贴片机、倒晶封装/固晶机、焊线机、PCB 测试机、气浮轴承系统、三次元测量机、光学设备生产、医疗器械、通用自动化系统、精密 3D 打印、用于 LDI 曝光机进行IC载板、FPC、HDI板和多层板数字成像

产品介绍


1726209507.png

产品特点

无吸力

电机优选搭配气浮轴承

速度稳定性优于 0.1%

有效负载较小但需要较高运动速度和加速度的应用

温升抑制到:0.15°C/W

推力波动:小于 0.5%

无铁芯技术

无齿槽力

高持续推力和峰值力

霍尔传感器模块可选

高电机常数

推力范围广

选配:强制空气冷却


1726209533.png

结构特点

无铁芯技术,无齿槽力

高持续推力和峰值力

霍尔传感器模块可选

体积小,高电机常数

推力范围广,规格种类齐全

持续推力 :26N~850N

峰值推力 :144N~4250N



产品参数

image.png

外形尺寸

FV曲线@310V

image.png

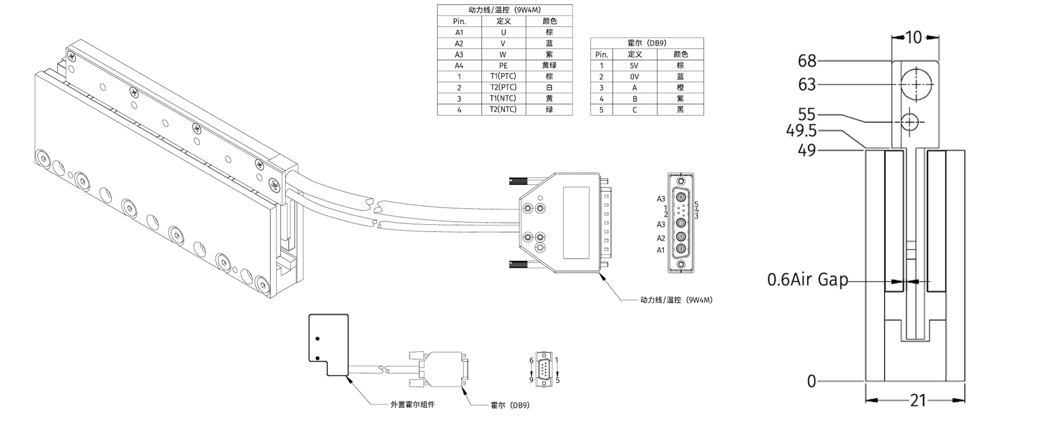
外形尺寸

image.png

线圈尺寸

图层 2.png

磁轨尺寸

图层 4.png